
某地区古建筑亮化照明设计全套图纸

某地区古建筑亮化照明设计全套图纸

某地区古建筑亮化照明设计全套图纸
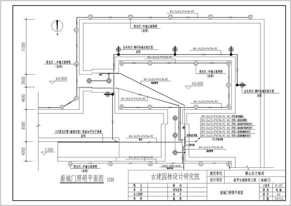
古建筑施工、布线、安装方式、系统图。结构类型为二层砖木框架结构,城楼建筑高度18.4米。重檐灰瓦面,屋顶做十字歇山顶。设计内容:电气照明系统、防雷接地、总等电位联接系统示意图、立面照明示意图。整体

某地区古建筑亮化照明设计全套图纸

某地区古建筑亮化照明设计全套图纸

某地区古建筑亮化照明设计全套图纸
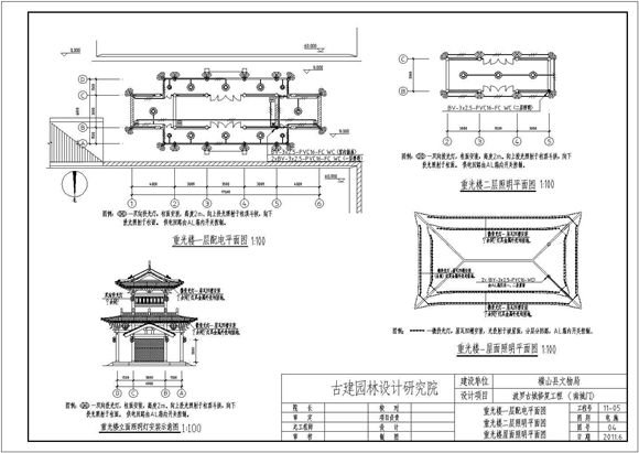
古建筑施工、布线、安装方式、系统图。结构类型为二层砖木框架结构,城楼建筑高度18.4米。重檐灰瓦面,屋顶做十字歇山顶。设计内容:电气照明系统、防雷接地、总等电位联接系统示意图、立面照明示意图。整体
声明:资源收集自网络或用户分享,仅供学习参考,如侵犯您的权益,请联系我们处理。
不能下载?报告错误