当前位置:首页  资料内容详情

某地古建筑牌坊大门结构施工图

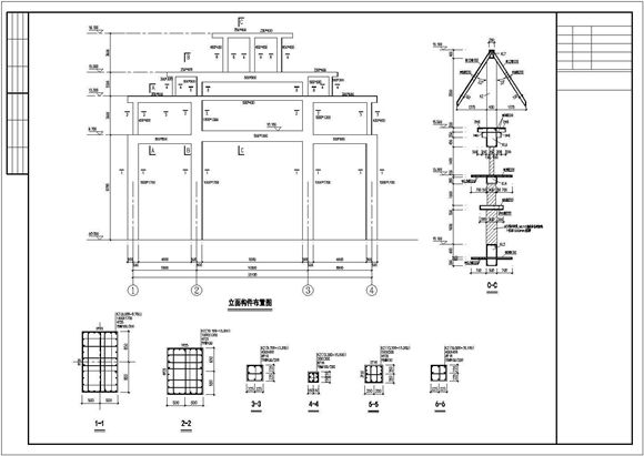
某地古建筑牌坊大门结构施工图 某地古建筑牌坊大门结构施工图 某地古建筑牌坊大门结构施工图 某地古建筑牌坊大门结构施工图,pkpm计算,包含基础施工图,立面布置图,梁柱配筋图,各种大样及构造。

某地古建筑牌坊大门结构施工图

声明:本站为网络服务提供者及网络索引服务平台资源索引自网络/用户分享,如有版权问题,请联系站方删除。

不能下载?报告错误