

电机正反转与星三角启动控制原理图

电机正反转与星三角启动控制原理图

电机正反转与星三角启动控制原理图
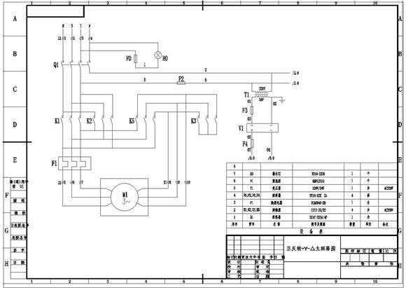
本稿件是电机正反转控制与星三角启动控制图纸,设计包含正反转+Y-△主回路图、正反转+Y-△二次原理图、正反转+Y-△信号与端子图。图纸设计比较清楚,有一定参考作用。


电机正反转与星三角启动控制原理图

电机正反转与星三角启动控制原理图

电机正反转与星三角启动控制原理图
本稿件是电机正反转控制与星三角启动控制图纸,设计包含正反转+Y-△主回路图、正反转+Y-△二次原理图、正反转+Y-△信号与端子图。图纸设计比较清楚,有一定参考作用。
声明:资源收集自网络或用户分享,仅供学习参考,如侵犯您的权益,请联系我们处理。
不能下载?报告错误