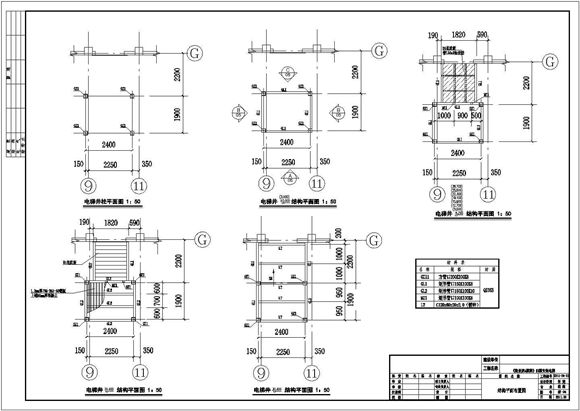
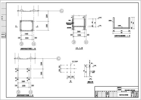
旧楼安装电梯结构施工图(共9张图) 旧楼安装电梯结构施工图(共9张图) 旧楼安装电梯结构施工图(共9张图) 本工程是旧楼安装电梯项目,图纸包括:钢结构设计说明,电梯井机坑及预埋图,结构平面布置图,结构立面图,节点大样,幕墙立面图,幕墙节点大样图,共计9张图。
旧楼安装电梯结构施工图(共9张图)
旧楼安装电梯结构施工图(共9张图) 旧楼安装电梯结构施工图(共9张图) 旧楼安装电梯结构施工图(共9张图) 本工程是旧楼安装电梯项目,图纸包括:钢结构设计说明,电梯井机坑及预埋图,结构平面布置图,结构立面图,节点大样,幕墙立面图,幕墙节点大样图,共计9张图。
旧楼安装电梯结构施工图(共9张图)