当前位置:首页  资料内容详情

正泰DW15万能断路器接线图(两张图)

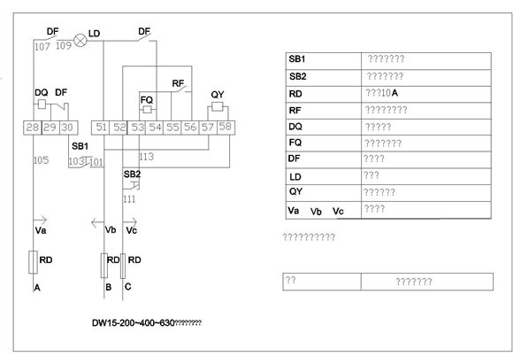
正泰DW15万能断路器接线图(两张图) 正泰DW15万能断路器接线图(两张图) 正泰DW15万能断路器接线图(两张),图纸设计非常详细,标注清楚,供大家下载参考。

正泰DW15万能断路器接线图(两张图)

声明:本站为网络服务提供者及网络索引服务平台资源索引自网络/用户分享,如有版权问题,请联系站方删除。

不能下载?报告错误