规范网
更新
当前位置:
规范网
资料
内容详情
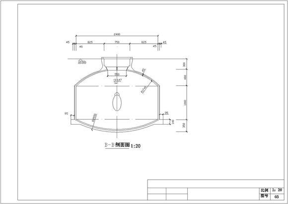
沼气池设计图纸cad图纸详细图纸
沼气池设计图纸cad图纸详细图纸
沼气池设计图纸cad图纸详细图纸
沼气池设计图纸cad图纸详细图纸
本图纸为沼气池设计图纸cad图纸详细图纸,因地制宜仅供参考。
加入收藏
下载文件
声明:资源收集自网络或用户分享,仅供学习参考,如侵犯您的权益,请联系我们处理。
不能下载?报告错误
下页:
一套厨房橱柜设计图纸,已经下单
相关推荐
坡面屋顶阵列前后间距计算和遮挡物影长计算公式V1.1
光伏专用电缆选型计算,汇流箱至逆变器电缆选型计算,短路电流计算,组串数量计算
风力发电经济评价模型案例
风电 水电效益测算分析表
分布式光伏工程报价参考计算表格
沼气池设计图纸cad图纸详细图纸
下载文件
免费下载
标签
12j201
行政总结
贵州省标准
机关单位工作计划
质量管理体系标准
螺钉标准
重庆市标准
银行总结
15j403-1
国密密码规范
管道标准
阀门标准
文化规范
校车标准
湖南省标准
球墨铸铁管标准
学校工作计划
角钢标准
电缆标准
平键标准
城市轨道
党员总结
照明标准
焊接标准
建筑工程规范
退刀槽标准
05j909
02j331