当前位置:首页  资料内容详情

大型食堂饭店隔油池标准cad施工设计图(室外)

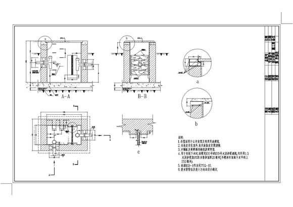
大型食堂饭店隔油池标准cad施工设计图(室外) 大型食堂饭店隔油池标准cad施工设计图(室外),图纸设计非常详细,标注精确,实用性强,供相关人士下载参考。

大型食堂饭店隔油池标准cad施工设计图(室外)

声明:本站为网络服务提供者及网络索引服务平台资源索引自网络/用户分享,如有版权问题,请联系站方删除。

不能下载?报告错误