当前位置:首页  资料内容详情

岗亭设计(带结构基础)

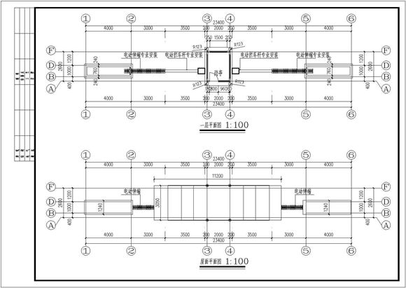
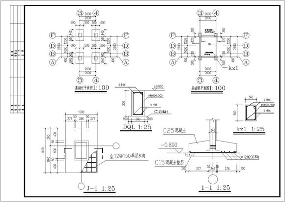
岗亭设计(带结构基础) 岗亭设计(带结构基础) 岗亭设计(带结构基础) 本图纸为岗亭设计(带结构基础),内容包括:屋面平面图、基础梁平面图、立面图、岗亭平面图等内容,图纸内容详实,可供大家下载参考。

岗亭设计(带结构基础)

声明:本站为网络服务提供者及网络索引服务平台资源索引自网络/用户分享,如有版权问题,请联系站方删除。

不能下载?报告错误