
电气设计高低压配电室原理图(全集)

电气设计高低压配电室原理图(全集)

电气设计高低压配电室原理图(全集)
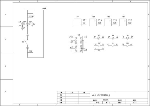
本图纸为电气设计高低压配电室原理图(全集),其内容包括:原理图、端子图等。内容详实,可供参考。

电气设计高低压配电室原理图(全集)

电气设计高低压配电室原理图(全集)

电气设计高低压配电室原理图(全集)
本图纸为电气设计高低压配电室原理图(全集),其内容包括:原理图、端子图等。内容详实,可供参考。
声明:资源收集自网络或用户分享,仅供学习参考,如侵犯您的权益,请联系我们处理。
不能下载?报告错误