
常用风机、水泵控制原理图cad图纸汇总(非常全面)

常用风机、水泵控制原理图cad图纸汇总(非常全面)

常用风机、水泵控制原理图cad图纸汇总(非常全面)
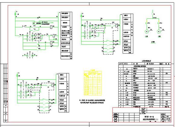
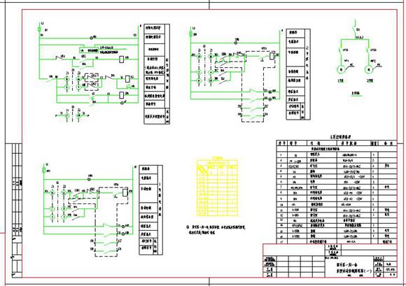
常用风机、水泵控制原理图cad图纸汇总(非常全面),图纸非常详细,可供参考下载。

常用风机、水泵控制原理图cad图纸汇总(非常全面)

常用风机、水泵控制原理图cad图纸汇总(非常全面)

常用风机、水泵控制原理图cad图纸汇总(非常全面)
常用风机、水泵控制原理图cad图纸汇总(非常全面),图纸非常详细,可供参考下载。
声明:资源收集自网络或用户分享,仅供学习参考,如侵犯您的权益,请联系我们处理。
不能下载?报告错误