
2016最新整理的坡屋面建筑构造详图(标注齐全、非常详细)

2016最新整理的坡屋面建筑构造详图(标注齐全、非常详细)

2016最新整理的坡屋面建筑构造详图(标注齐全、非常详细)
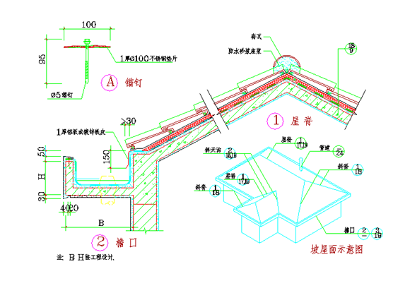
2016最新整理的坡屋面建筑构造详图_建筑构造详图下载(标注齐全、非常详细),包括玻纤瓦坡屋面构造详图、彩瓦、彩陶瓦坡屋面构造详图、出坡屋面烟道详图、坡屋面平法、坡屋面构造做法详图、屋脊脊瓦详图、屋面

2016最新整理的坡屋面建筑构造详图(标注齐全、非常详细)

2016最新整理的坡屋面建筑构造详图(标注齐全、非常详细)

2016最新整理的坡屋面建筑构造详图(标注齐全、非常详细)
2016最新整理的坡屋面建筑构造详图_建筑构造详图下载(标注齐全、非常详细),包括玻纤瓦坡屋面构造详图、彩瓦、彩陶瓦坡屋面构造详图、出坡屋面烟道详图、坡屋面平法、坡屋面构造做法详图、屋脊脊瓦详图、屋面
声明:资源收集自网络或用户分享,仅供学习参考,如侵犯您的权益,请联系我们处理。
不能下载?报告错误