当前位置:首页  资料内容详情

某地区大型供暖换热站工艺流程设计图

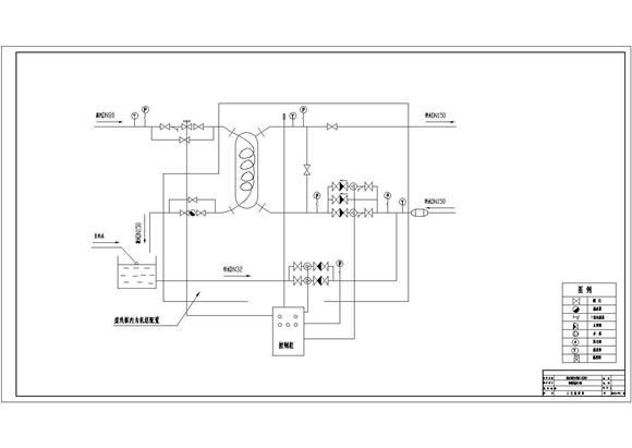
某地区大型供暖换热站工艺流程设计图 本图纸为某地区大型供暖换热站工艺流程设计图,内容包括:工艺流程设计图等内容,可供参考。

某地区大型供暖换热站工艺流程设计图

声明:本站为网络服务提供者及网络索引服务平台资源索引自网络/用户分享,如有版权问题,请联系站方删除。

不能下载?报告错误