规范网
更新
当前位置:
规范网
资料
内容详情
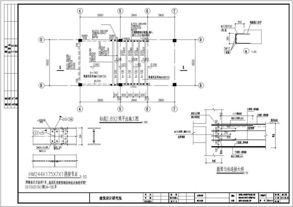
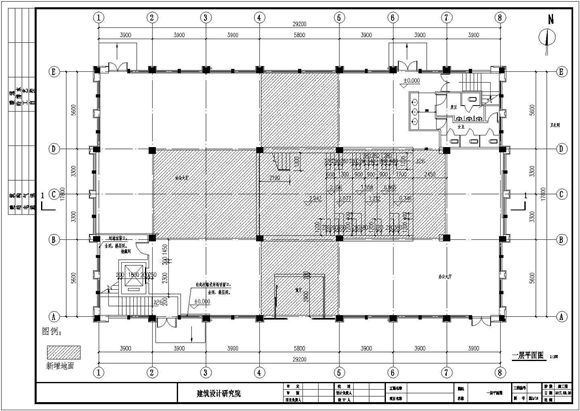
钢结构加固图纸(含说明)
钢结构加固图纸(含说明)
钢结构加固图纸(含说明)
钢结构加固图纸(含说明)
钢结构加固图纸(含说明)
加入收藏
下载文件
声明:资源收集自网络或用户分享,仅供学习参考,如侵犯您的权益,请联系我们处理。
不能下载?报告错误
下页:
钢结构阶梯教室结构设计图
相关推荐
某立交桥结构加固图纸(共18张图)
钢结构加固图纸(含说明)
钢结构加固图纸(含说明)
下载文件
免费下载
标签
暖通
人事总结
花键标准
交通运输规范
电影规范
广播电影电视规范
管道标准
学校方案
离职申请
机关单位工作计划
建筑材料规范
压力容器标准
河南省标准
钢丝螺套标准
海南省标准
电源线标准
学校领导讲话稿
教师发言稿
自我评价
电力规范
结构
17J927-1
15j401
钢结构标准
人防
12j003
无缝管标准
角钢标准