规范网
更新
当前位置:
规范网
资料
内容详情
超级实用的铝方通吊顶大样图cad图
超级实用的铝方通吊顶大样图cad图
超级实用的铝方通吊顶大样图cad图
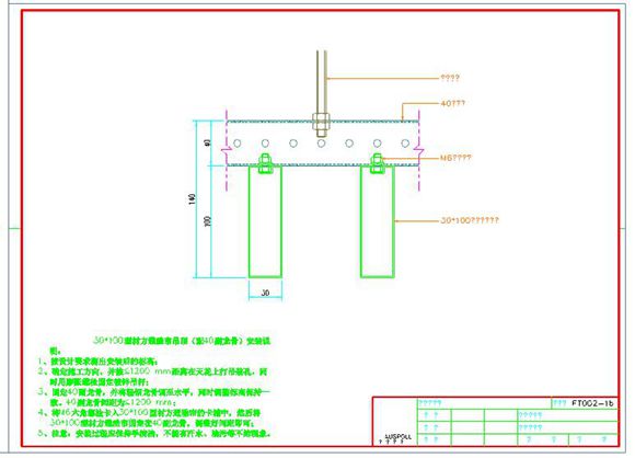
图纸包括30*100型材方通垂帘天花吊顶安装示意图等,可供参考。
加入收藏
下载文件
声明:资源收集自网络或用户分享,仅供学习参考,如侵犯您的权益,请联系我们处理。
不能下载?报告错误
下页:
儿童攀爬墙cad设计施工图
相关推荐
坡面屋顶阵列前后间距计算和遮挡物影长计算公式V1.1
光伏专用电缆选型计算,汇流箱至逆变器电缆选型计算,短路电流计算,组串数量计算
风力发电经济评价模型案例
风电 水电效益测算分析表
分布式光伏工程报价参考计算表格
超级实用的铝方通吊顶大样图cad图
下载文件
免费下载
标签
建筑工程规范
edi标准
上海市标准
采购总结
烟草规范
地震规范
食用盐标准
地质矿产规范
湖南省标准
技术总结
国密密码规范
管件标准
装修
布线标准
个人总结
螺栓标准
建筑标准
个人工作计划
锻件标准
内蒙古自治区标准
电子规范
角钢标准
园林
单位通知
广东省标准
垫圈标准
照明标准
数据标准