当前位置:首页  资料内容详情

箱式变压器原理一二次图纸(共10张)

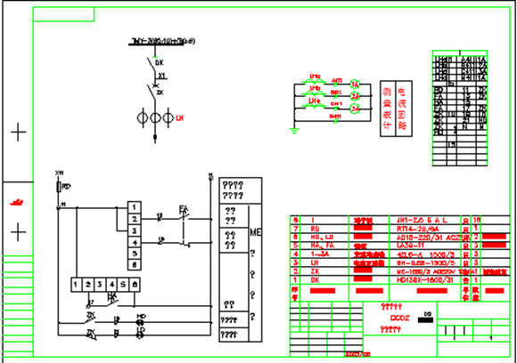
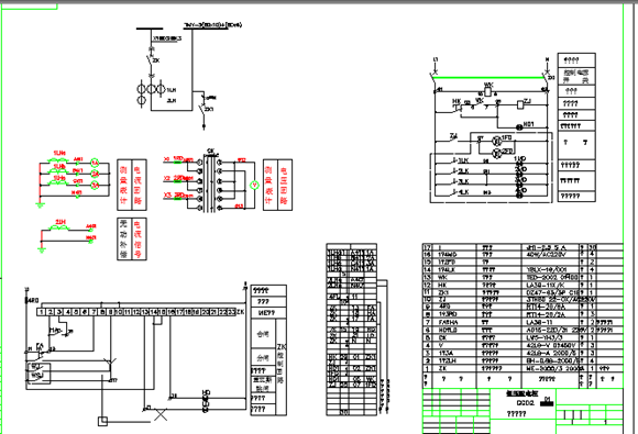
箱式变压器原理一二次图纸(共10张) 箱式变压器原理一二次图纸(共10张) 箱式变压器原理一二次图纸(共10张) 本图纸为箱式变压器一二次图,其内容包括箱变一次的系统图和基础图等图纸,内容可供参考。

箱式变压器原理一二次图纸(共10张)

声明:本站为网络服务提供者及网络索引服务平台资源索引自网络/用户分享,如有版权问题,请联系站方删除。

不能下载?报告错误