规范网
更新
当前位置:
规范网
资料
内容详情
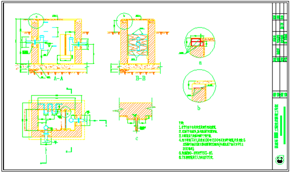
室外砖砌隔油池标准做法图
室外砖砌隔油池标准做法图
标准隔油池的做法详解。适用于公共食堂以及同类建筑,隔油池采用砖砌,,设爬梯。
加入收藏
下载文件
声明:资源收集自网络或用户分享,仅供学习参考,如侵犯您的权益,请联系我们处理。
不能下载?报告错误
下页:
标准篮球场尺寸及场面做法
相关推荐
坡面屋顶阵列前后间距计算和遮挡物影长计算公式V1.1
光伏专用电缆选型计算,汇流箱至逆变器电缆选型计算,短路电流计算,组串数量计算
风力发电经济评价模型案例
风电 水电效益测算分析表
分布式光伏工程报价参考计算表格
室外砖砌隔油池标准做法图
下载文件
免费下载
标签
新闻出版规范
税务规范
螺纹标准
数据标准
学校工作计划
转正申请
稀土规范
技术总结
学校领导讲话稿
压力容器标准
金融规范
钢结构标准
热电偶标准
圆钢标准
硬度标准
工业标准
05s502
船舶规范
平键标准
给排水
公司总结
无缝管标准
财务总结
电子规范
学校通知
动平衡标准
生产总结
讲话稿