
精致常用圆形水池结构cad施工图

精致常用圆形水池结构cad施工图

精致常用圆形水池结构cad施工图
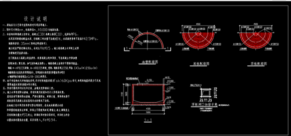
建筑功能:工业建筑图纸深度:施工图民用建筑设计使用年限:50年结构形式:钢筋混凝土结构钢筋混凝土结构:其他结构特种结构:水池基础形式:混凝土基础图纸张数:2张内容简介图纸包括:结构-www.guifan.net

精致常用圆形水池结构cad施工图

精致常用圆形水池结构cad施工图

精致常用圆形水池结构cad施工图
建筑功能:工业建筑图纸深度:施工图民用建筑设计使用年限:50年结构形式:钢筋混凝土结构钢筋混凝土结构:其他结构特种结构:水池基础形式:混凝土基础图纸张数:2张内容简介图纸包括:结构-www.guifan.net
声明:资源收集自网络或用户分享,仅供学习参考,如侵犯您的权益,请联系我们处理。
不能下载?报告错误