
钢结构广告牌结构图(桁架结构,共6张)

钢结构广告牌结构图(桁架结构,共6张)

钢结构广告牌结构图(桁架结构,共6张)
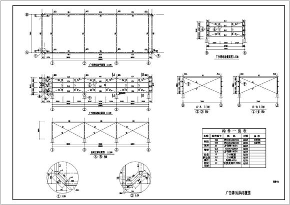
建筑功能:其他图纸深度:施工图民用建筑设计使用年限:25年结构形式:钢结构钢结构:桁架结构安全等级:三级抗震设防烈度:8度抗震风压:0.45kN/㎡图纸张数:6张内容简介本资料为某

钢结构广告牌结构图(桁架结构,共6张)

钢结构广告牌结构图(桁架结构,共6张)

钢结构广告牌结构图(桁架结构,共6张)
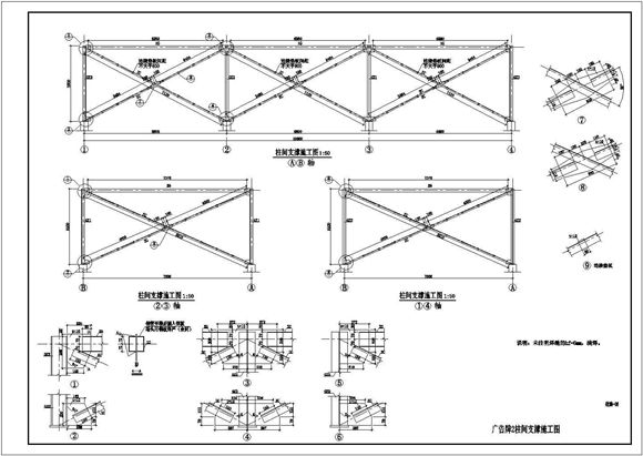
建筑功能:其他图纸深度:施工图民用建筑设计使用年限:25年结构形式:钢结构钢结构:桁架结构安全等级:三级抗震设防烈度:8度抗震风压:0.45kN/㎡图纸张数:6张内容简介本资料为某
声明:资源收集自网络或用户分享,仅供学习参考,如侵犯您的权益,请联系我们处理。
不能下载?报告错误