规范网
更新
当前位置:
规范网
资料
内容详情
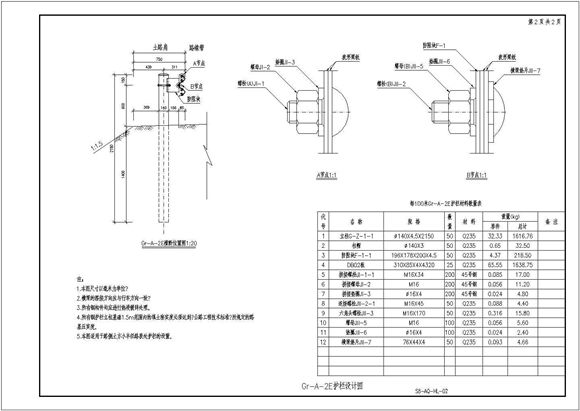
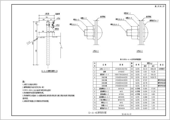
公路各种标准护栏设计图(共58张图纸)
公路各种标准护栏设计图(共58张图纸)
公路各种标准护栏设计图(共58张图纸)
公路各种标准护栏设计图(共58张图纸)
公路各种标准护栏设计图,(共58张图纸),设计详实,供设计师参考。
加入收藏
下载文件
声明:资源收集自网络或用户分享,仅供学习参考,如侵犯您的权益,请联系我们处理。
不能下载?报告错误
下页:
桥梁防撞护栏通用图119张(含柔性护栏)
相关推荐
项目经理们直呼哇塞成本方圆图四大工具
想要真石漆不发花?请认真看完这篇外墙真石漆施工技术指引
细节见真章碧桂园标杆项目装修全过程管理及工艺亮点照片
武汉钢框架混凝土核心筒施工汇报
屋顶构造做法及细部构造培训讲义
公路各种标准护栏设计图(共58张图纸)
下载文件
免费下载
标签
项目总结
电缆标准
上海市标准
农业规范
污染物排放标准
光伏
机关单位工作计划
档案规范
食品添加剂标准
电动自行车标准
航天规范
装修
青海省标准
讲话稿
消防救援规范
社会实践报告
辽宁省标准
花键标准
机械制图标准
15s202
海南省标准
垫圈标准
钢丝绳标准
水产规范
圆钢标准
包装标准
中医药规范
学校通知