
典型VS1-12型真空断路器电气原理图

典型VS1-12型真空断路器电气原理图

典型VS1-12型真空断路器电气原理图
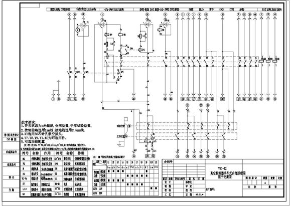
本图为典型VS1-12型真空断路器电气原理图,内容包括手车式内部原理图、固定式内部接线电气原理图、固定式内部敷线图等;本图设计专业规范,可供参考学习。

典型VS1-12型真空断路器电气原理图

典型VS1-12型真空断路器电气原理图

典型VS1-12型真空断路器电气原理图
本图为典型VS1-12型真空断路器电气原理图,内容包括手车式内部原理图、固定式内部接线电气原理图、固定式内部敷线图等;本图设计专业规范,可供参考学习。
声明:资源收集自网络或用户分享,仅供学习参考,如侵犯您的权益,请联系我们处理。
不能下载?报告错误