
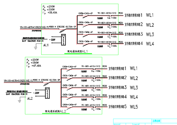
路灯、说明、配电箱系统图

路灯、说明、配电箱系统图

路灯、说明、配电箱系统图
本段道路属城市三级主干道,采用单侧灯的照明方式。路灯布置于道路人行道边,间距平均30米,局部间距视道路布置情况。光源采用高压钠灯单个灯具功率为250W。

路灯、说明、配电箱系统图

路灯、说明、配电箱系统图

路灯、说明、配电箱系统图
本段道路属城市三级主干道,采用单侧灯的照明方式。路灯布置于道路人行道边,间距平均30米,局部间距视道路布置情况。光源采用高压钠灯单个灯具功率为250W。
声明:资源收集自网络或用户分享,仅供学习参考,如侵犯您的权益,请联系我们处理。
不能下载?报告错误