规范网
更新
当前位置:
规范网
资料
内容详情
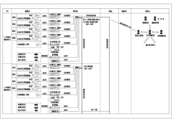
监控系统拓扑图、系统架构图
监控系统拓扑图、系统架构图
监控系统拓扑图、系统架构图
监控系统拓扑图、系统架构图
本资料为:监控系统拓扑图、系统架构图,共3张图纸,可供参考。
加入收藏
下载文件
声明:资源收集自网络或用户分享,仅供学习参考,如侵犯您的权益,请联系我们处理。
不能下载?报告错误
下页:
GGD配电柜二次接线方案图
相关推荐
项目经理们直呼哇塞成本方圆图四大工具
想要真石漆不发花?请认真看完这篇外墙真石漆施工技术指引
细节见真章碧桂园标杆项目装修全过程管理及工艺亮点照片
武汉钢框架混凝土核心筒施工汇报
屋顶构造做法及细部构造培训讲义
监控系统拓扑图、系统架构图
下载文件
免费下载
标签
粉煤灰标准
轻工业规范
个人工作计划
学校领导讲话稿
钢丝绳标准
教师发言稿
工程
建筑标准
平键标准
山西省标准
民政规范
转正申请
线材标准
螺钉标准
家长会发言稿
河南省标准
广播电影电视规范
过滤器标准
农业规范
销售总结
海洋规范
客服总结
CAD图纸、图集
烟草规范
排放标准
学校方案
天津市标准
无缝钢管标准