当前位置:首页  资料内容详情

某悬挑阳台用钢结构加固做法

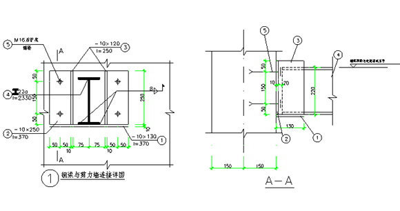
某悬挑阳台用钢结构加固做法 某悬挑阳台用钢结构加固做法 某悬挑阳台用钢结构加固做法 某钢筋混凝土阳台增加荷载厚承载力不够,采用下加钢梁并用机械锚栓生根的方式进行加固,值得参考

某悬挑阳台用钢结构加固做法

声明:本站为网络服务提供者及网络索引服务平台资源索引自网络/用户分享,如有版权问题,请联系站方删除。

不能下载?报告错误