
给排水阀门井结构图(内含给排水条件图)

给排水阀门井结构图(内含给排水条件图)

给排水阀门井结构图(内含给排水条件图)
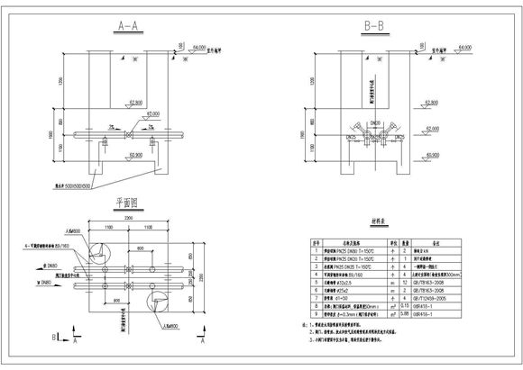
本工程为室外排水沟阀门井的土建结构图纸。内含给排水专业条件图,土建详细剖面图,管道密封做法、阀门井钢结构剖切详图。

给排水阀门井结构图(内含给排水条件图)

给排水阀门井结构图(内含给排水条件图)

给排水阀门井结构图(内含给排水条件图)
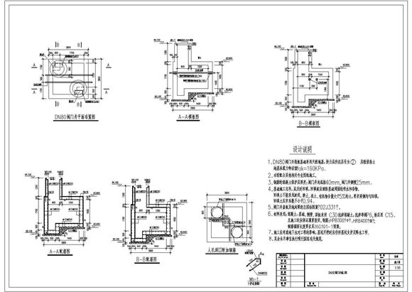
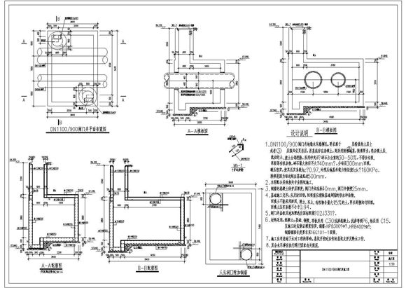
本工程为室外排水沟阀门井的土建结构图纸。内含给排水专业条件图,土建详细剖面图,管道密封做法、阀门井钢结构剖切详图。
声明:资源收集自网络或用户分享,仅供学习参考,如侵犯您的权益,请联系我们处理。
不能下载?报告错误