规范网
更新
当前位置:
规范网
资料
内容详情
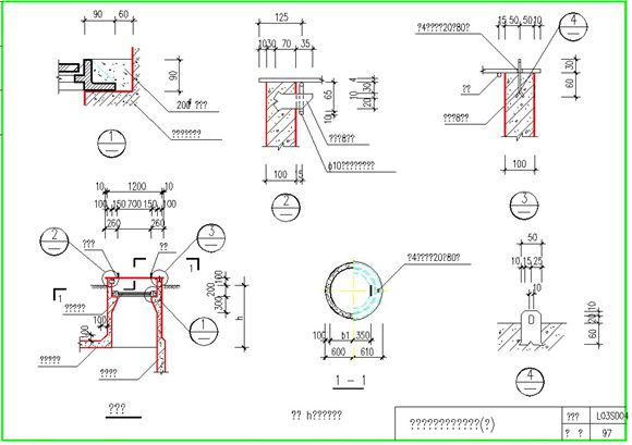
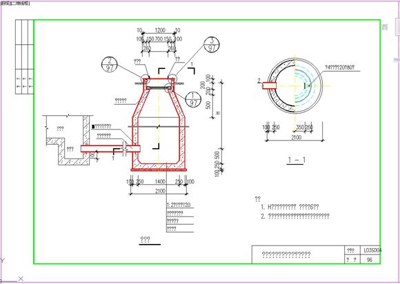
消防水池取水口详图(共2张图纸)
消防水池取水口详图(共2张图纸)
消防水池取水口详图(共2张图纸)
消防水池取水口详图(共2张图纸),设计详实,供设计师参考。
加入收藏
下载文件
声明:资源收集自网络或用户分享,仅供学习参考,如侵犯您的权益,请联系我们处理。
不能下载?报告错误
下页:
某提水泵房建施参考图
相关推荐
项目经理们直呼哇塞成本方圆图四大工具
想要真石漆不发花?请认真看完这篇外墙真石漆施工技术指引
细节见真章碧桂园标杆项目装修全过程管理及工艺亮点照片
武汉钢框架混凝土核心筒施工汇报
屋顶构造做法及细部构造培训讲义
消防水池取水口详图(共2张图纸)
下载文件
免费下载
标签
福建省标准
采购总结
工程
食用油标准
链轮标准
单位总结
轻工业规范
陕西省标准
宁夏回族自治区标准
烟草规范
湖南省标准
粮食规范
通知模板
项目总结
地震规范
布线标准
自我评价
安徽省标准
个人总结
教育随笔
方案
食品标准
应急管理规范
信息总结
国密密码规范
退刀槽标准
cad制图标准
离职申请