当前位置:首页  资料内容详情

某空调机房电气原理系统图(共7张图纸)

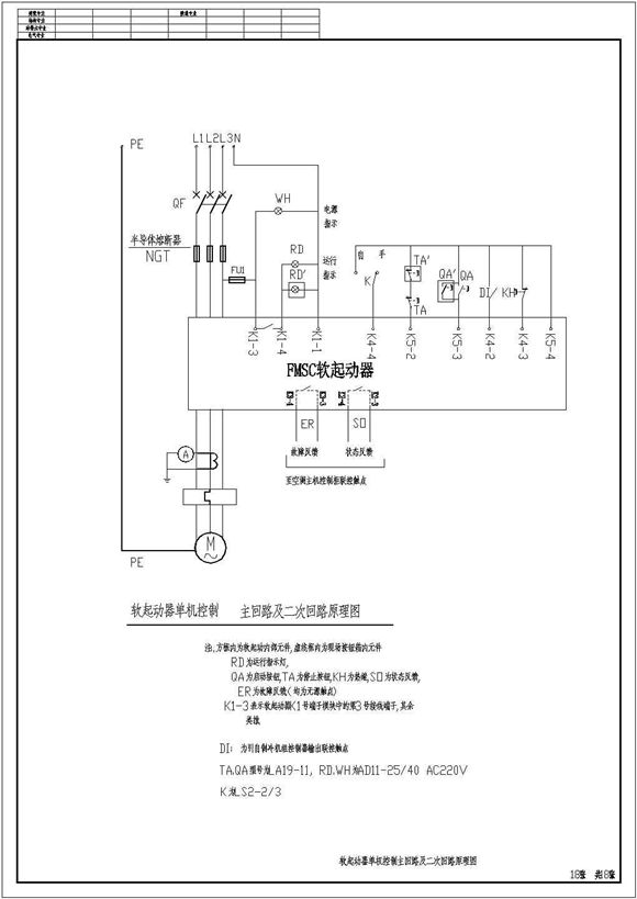
某空调机房电气原理系统图(共7张图纸) 某空调机房电气原理系统图(共7张图纸) 某空调机房电气原理系统图(共7张图纸) 本图是整套大型空调机房电气设计,包括各控制柜的原理图和系统图,共7张图。

某空调机房电气原理系统图(共7张图纸)

声明:本站为网络服务提供者及网络索引服务平台资源索引自网络/用户分享,如有版权问题,请联系站方删除。

不能下载?报告错误