规范网
更新
当前位置:
规范网
资料
内容详情
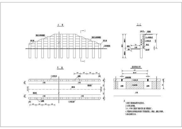
桩板式挡土墙设计图纸(含说明书)
桩板式挡土墙设计图纸(含说明书)
桩板式挡土墙设计图纸(含说明书)
桩板式挡土墙设计图纸(含说明书)
桩板式挡土墙设计图纸和说明书部分
加入收藏
下载文件
声明:资源收集自网络或用户分享,仅供学习参考,如侵犯您的权益,请联系我们处理。
不能下载?报告错误
下页:
节点图 柱外包(粘)钢加固表示方法说明
相关推荐
坡面屋顶阵列前后间距计算和遮挡物影长计算公式V1.1
光伏专用电缆选型计算,汇流箱至逆变器电缆选型计算,短路电流计算,组串数量计算
风力发电经济评价模型案例
风电 水电效益测算分析表
分布式光伏工程报价参考计算表格
桩板式挡土墙设计图纸(含说明书)
下载文件
免费下载
标签
山西省标准
教学计划
活动总结
水利
粉煤灰标准
平垫圈标准
螺丝标准
钢丝绳标准
食品标准
项目申请
数据标准
物资管理规范
路桥
湖南省标准
退刀槽标准
16s518
人事总结
05s502
12j201
公司工作计划
紧固件标准
螺母标准
重庆市标准
食品安全标准
密封圈标准
甘肃省标准
山东省标准
插头标准