
室外消火栓安装大样设计cad图纸

室外消火栓安装大样设计cad图纸

室外消火栓安装大样设计cad图纸
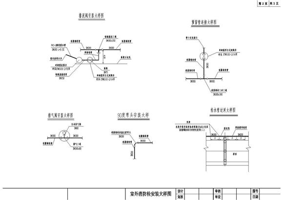
设计说明:无,建筑功能:其他资料目录消火栓安装大样图22.5度弯头安装大样阀门安装大样图消防管管沟剖面排泥阀安装大样图预留管连接大样图地上式消防栓安装立面图地上式消防栓安装平面图闸

室外消火栓安装大样设计cad图纸

室外消火栓安装大样设计cad图纸

室外消火栓安装大样设计cad图纸
设计说明:无,建筑功能:其他资料目录消火栓安装大样图22.5度弯头安装大样阀门安装大样图消防管管沟剖面排泥阀安装大样图预留管连接大样图地上式消防栓安装立面图地上式消防栓安装平面图闸
声明:资源收集自网络或用户分享,仅供学习参考,如侵犯您的权益,请联系我们处理。
不能下载?报告错误