
小区住宅全套智能化系统图(共26张图纸)

小区住宅全套智能化系统图(共26张图纸)

小区住宅全套智能化系统图(共26张图纸)
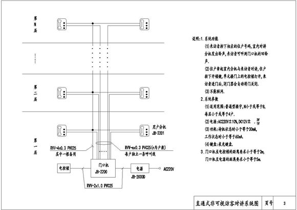
本设计为小区住宅全套智能化系统设计,设计范围包括:访客对讲系统、小区抄表联网系统、门禁系统、四标远传系统、多路报警系统等。

小区住宅全套智能化系统图(共26张图纸)

小区住宅全套智能化系统图(共26张图纸)

小区住宅全套智能化系统图(共26张图纸)
本设计为小区住宅全套智能化系统设计,设计范围包括:访客对讲系统、小区抄表联网系统、门禁系统、四标远传系统、多路报警系统等。
声明:资源收集自网络或用户分享,仅供学习参考,如侵犯您的权益,请联系我们处理。
不能下载?报告错误