规范网
更新
当前位置:
规范网
资料
内容详情
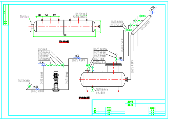
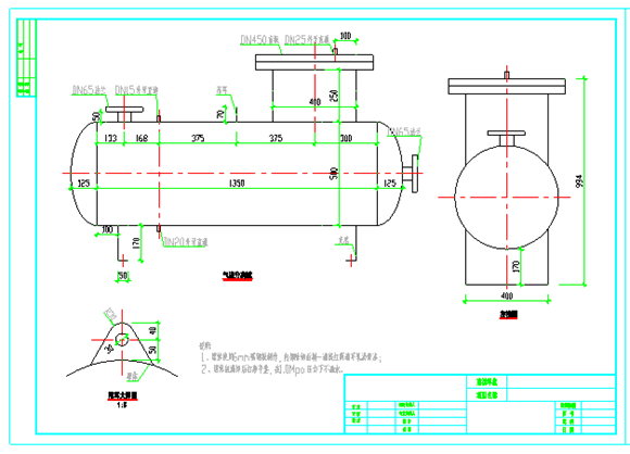
气浮溶气罐制作图,气浮机射流溶气系统图
气浮溶气罐制作图,气浮机射流溶气系统图
气浮溶气罐制作图,气浮机射流溶气系统图
气浮溶气罐制作图,气浮机射流溶气系统图,部分回流溶气气浮系统
加入收藏
下载文件
声明:资源收集自网络或用户分享,仅供学习参考,如侵犯您的权益,请联系我们处理。
不能下载?报告错误
下页:
双电源切换配电箱系统图
相关推荐
项目经理们直呼哇塞成本方圆图四大工具
想要真石漆不发花?请认真看完这篇外墙真石漆施工技术指引
细节见真章碧桂园标杆项目装修全过程管理及工艺亮点照片
武汉钢框架混凝土核心筒施工汇报
屋顶构造做法及细部构造培训讲义
气浮溶气罐制作图,气浮机射流溶气系统图
下载文件
免费下载
标签
文化规范
电力资料
海洋规范
个人自传
教育随笔
包装标准
建筑
申请书模板
民用航空规范
17J927-1
新闻出版规范
水利规范
链轮标准
15j403-1
物资管理规范
螺纹标准
医院工作计划
项目申请
包装规范
体育规范
实习报告
公司工作计划
税务规范
平键标准
医药规范
广西省标准
水产规范
学期总结