规范网
更新
当前位置:
规范网
资料
内容详情
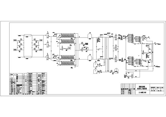
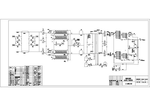
超滤反渗透水处理工艺流程图
超滤反渗透水处理工艺流程图
超滤反渗透水处理工艺流程图
本资料为:超滤反渗透水处理工艺流程图,共一张图纸,设计精准,可供设计师参考。
加入收藏
下载文件
声明:资源收集自网络或用户分享,仅供学习参考,如侵犯您的权益,请联系我们处理。
不能下载?报告错误
下页:
台州市某医疗中心地源热泵工程施工套图(集分水器)
相关推荐
坡面屋顶阵列前后间距计算和遮挡物影长计算公式V1.1
光伏专用电缆选型计算,汇流箱至逆变器电缆选型计算,短路电流计算,组串数量计算
风力发电经济评价模型案例
风电 水电效益测算分析表
分布式光伏工程报价参考计算表格
超滤反渗透水处理工艺流程图
下载文件
免费下载
标签
工程总结
思想汇报
建筑
电气设备标准
垫圈标准
民政规范
公司总结
煤炭规范
05s502
粉煤灰标准
17J927-1
iec标准
山西省标准
学校通知
技术总结
民用航空规范
通知模板
工业标准
安全生产
能源规范
天津市标准
社会实践报告
交通运输规范
讲话稿
吉林省标准
指导性国家标准
幼儿园工作计划
外经贸规范