规范网
更新
当前位置:
规范网
资料
内容详情
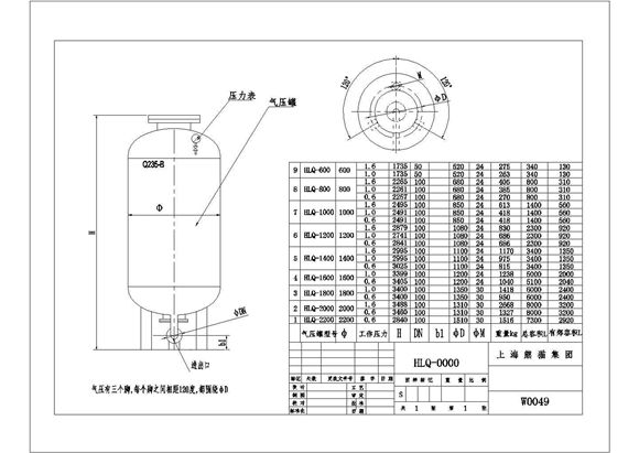
隔膜气压罐尺寸重量参照表
隔膜气压罐尺寸重量参照表
隔膜气压罐尺寸重量参照表,内容可供下载参考。
加入收藏
下载文件
声明:资源收集自网络或用户分享,仅供学习参考,如侵犯您的权益,请联系我们处理。
不能下载?报告错误
下页:
附着式轮廓标CAD详图(标体材料:底座、标体为不锈钢,连接件为弹力TPU)
相关推荐
承插型盘扣式钢管脚手架全套培训资料(含ppt课件、视频、表格、方案共9个文件)
碧桂园 精装修工程瓷片及抛光砖施工工艺 63页培训PPT资料
录井资料质量控制规范 (SY/T 6438-2024)
井中地震资料采集技术规程 (SY/T 5454-2024)
1∶5000 1∶10000基础地理信息数据更新成果资料汇交技术要求 (DB34/T 4983-2025)
隔膜气压罐尺寸重量参照表
下载文件
免费下载
标签
蝶阀标准
石油化工规范
检讨书
江西省标准
重庆市标准
电动车标准
垫圈标准
出入境检验检疫规范
市政
动力学
能源规范
教师发言稿
会议标准
稀土规范
教育规范
12j201
城市道路
医院总结
物资管理规范
有色金属规范
航天规范
兵工民品规范
人防
通知模板
销售总结
包装规范
机械制图标准
土地管理规范