
某建筑工程飘窗大样cad结构施工图纸(标注详细)

某建筑工程飘窗大样cad结构施工图纸(标注详细)
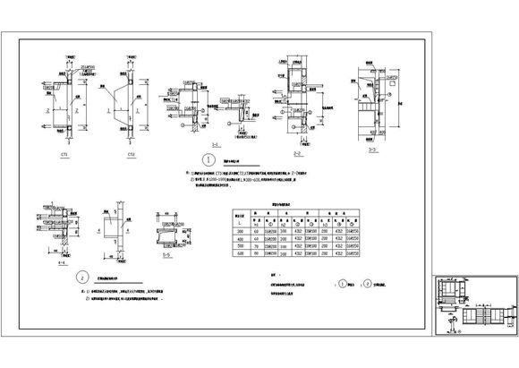
本图纸为某建筑工程飘窗大样cad结构施工图纸(标注详细);包括:空调机搁板构造大样图、1-1剖面图、飘窗台构造大样图、4-4剖面图、飘窗台构造配筋表、说明等;设计规范,可供参考学习。

某建筑工程飘窗大样cad结构施工图纸(标注详细)

某建筑工程飘窗大样cad结构施工图纸(标注详细)
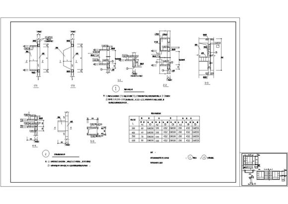
本图纸为某建筑工程飘窗大样cad结构施工图纸(标注详细);包括:空调机搁板构造大样图、1-1剖面图、飘窗台构造大样图、4-4剖面图、飘窗台构造配筋表、说明等;设计规范,可供参考学习。
声明:资源收集自网络或用户分享,仅供学习参考,如侵犯您的权益,请联系我们处理。
不能下载?报告错误