当前位置:首页  资料内容详情

隔油池施工图,共9张图纸

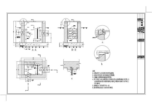
隔油池施工图,共9张图纸 本工程为隔油池施工图,共9张图纸,包含本图适用于公共食堂及同类用途建筑,本池应设在室外,木隔板及铁爬梯均刷热沥青两道,进水管管径及进入方向由设计确定等图供设计师参考。

隔油池施工图,共9张图纸

声明:本站为网络服务提供者及网络索引服务平台资源索引自网络/用户分享,如有版权问题,请联系站方删除。

不能下载?报告错误