
软启动器应用接线图集(cad版本,可编辑修改)

软启动器应用接线图集(cad版本,可编辑修改)

软启动器应用接线图集(cad版本,可编辑修改)
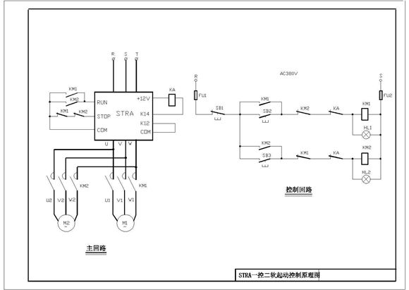
本资料为:软启动器应用接线图集(cad版本,可编辑修改),包括:STRA软起动一拖二控制原理图,STRB软起动及直接起动控制原理图,分别供电双机互为备用软起动控制原理图,空调机组冷冻水泵软起动(二用一

软启动器应用接线图集(cad版本,可编辑修改)

软启动器应用接线图集(cad版本,可编辑修改)

软启动器应用接线图集(cad版本,可编辑修改)
本资料为:软启动器应用接线图集(cad版本,可编辑修改),包括:STRA软起动一拖二控制原理图,STRB软起动及直接起动控制原理图,分别供电双机互为备用软起动控制原理图,空调机组冷冻水泵软起动(二用一
声明:资源收集自网络或用户分享,仅供学习参考,如侵犯您的权益,请联系我们处理。
不能下载?报告错误