当前位置:首页  资料内容详情

基坑钢支撑609钢管活络头详图

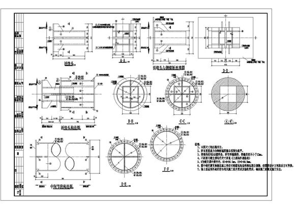
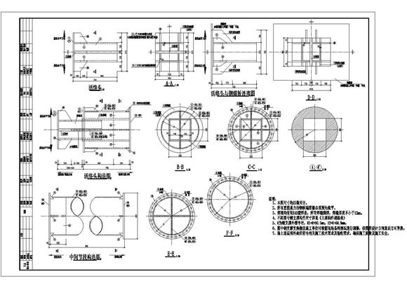
基坑钢支撑609钢管活络头详图 基坑钢支撑609钢管活络头详图 本资料为基坑钢支撑609钢管活络头详图,图纸包括:基坑钢支撑609钢管活络头详图。设计精准,可供网友下载参考。

基坑钢支撑609钢管活络头详图

声明:本站为网络服务提供者及网络索引服务平台资源索引自网络/用户分享,如有版权问题,请联系站方删除。

不能下载?报告错误