当前位置:首页  资料内容详情

铸铁落水篦子(雨水口)大样图(cad)

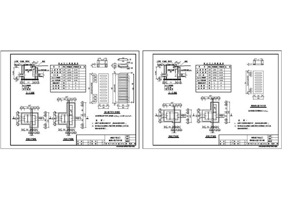
铸铁落水篦子(雨水口)大样图(cad) 本资料为铸铁落水篦子(雨水口)大样图,其包含的内容为单联口平面图,剖面图,铸铁落水蓖子设计图等内容,设计详实规范,可供下载参考。

铸铁落水篦子(雨水口)大样图(cad)

声明:本站为网络服务提供者及网络索引服务平台资源索引自网络/用户分享,如有版权问题,请联系站方删除。

不能下载?报告错误