
某农田水利灌溉工程设计cad全套施工图纸

某农田水利灌溉工程设计cad全套施工图纸

某农田水利灌溉工程设计cad全套施工图纸
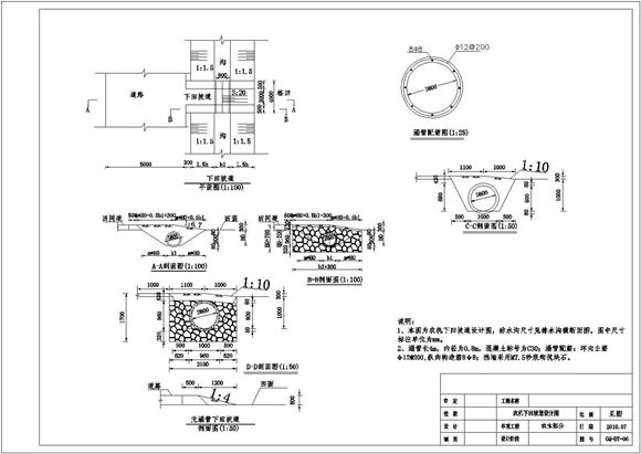
本资料为:某农田水利灌溉工程设计cad全套施工图纸;内含:U型衬砌渠道横断面图、斗渠节制闸结构图、3m田间道横断面图、抽水站设计图、5m机耕桥设计图、标准田块设计图、说明等;内容设计规范,很详细,可供

某农田水利灌溉工程设计cad全套施工图纸

某农田水利灌溉工程设计cad全套施工图纸

某农田水利灌溉工程设计cad全套施工图纸
本资料为:某农田水利灌溉工程设计cad全套施工图纸;内含:U型衬砌渠道横断面图、斗渠节制闸结构图、3m田间道横断面图、抽水站设计图、5m机耕桥设计图、标准田块设计图、说明等;内容设计规范,很详细,可供
声明:资源收集自网络或用户分享,仅供学习参考,如侵犯您的权益,请联系我们处理。
不能下载?报告错误