
电力电缆工作井井盖标准图集

电力电缆工作井井盖标准图集
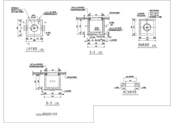
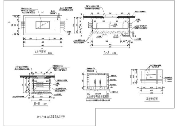
包含:123_1x1x1圆盖直线工作井、124_1x1x1方盖直线工作井、125_3x1.2x1.1圆盖直线工作井、125_3x1.2x1.1圆盖直线工作井、126_3x1.2x1.1方盖直线工作井

电力电缆工作井井盖标准图集

电力电缆工作井井盖标准图集
包含:123_1x1x1圆盖直线工作井、124_1x1x1方盖直线工作井、125_3x1.2x1.1圆盖直线工作井、125_3x1.2x1.1圆盖直线工作井、126_3x1.2x1.1方盖直线工作井
声明:资源收集自网络或用户分享,仅供学习参考,如侵犯您的权益,请联系我们处理。
不能下载?报告错误