当前位置:首页  资料内容详情

隧道紧急停车带指示标志预留预埋管件设计图

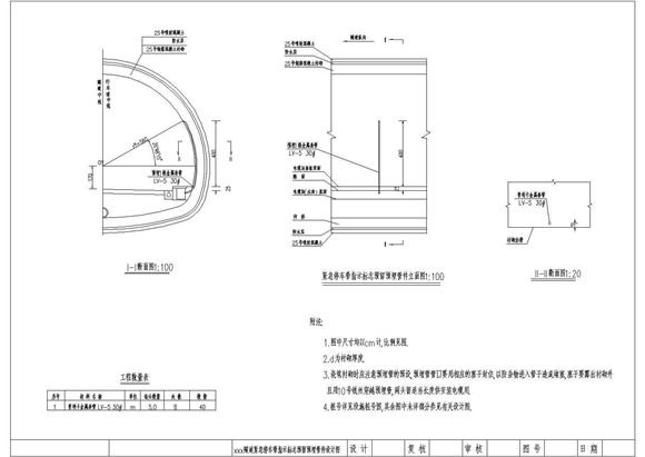
隧道紧急停车带指示标志预留预埋管件设计图 本资料为隧道紧急停车带指示标志预留预埋管件设计图,图纸包括:紧急停车带指示标志预留预埋管件立面图1:100,断面图,平面图等,设计精准,可供网友下载参考。

隧道紧急停车带指示标志预留预埋管件设计图

声明:本站为网络服务提供者及网络索引服务平台资源索引自网络/用户分享,如有版权问题,请联系站方删除。

不能下载?报告错误