规范网
更新
当前位置:
规范网
资料
内容详情
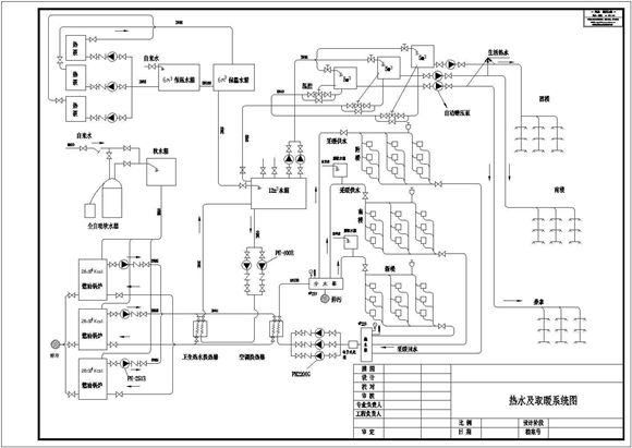
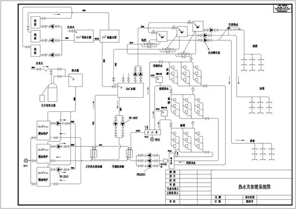
热水及取暖系统设计图
热水及取暖系统设计图
热水及取暖系统设计图
此图为热水及取暖系统设计图。
加入收藏
下载文件
声明:资源收集自网络或用户分享,仅供学习参考,如侵犯您的权益,请联系我们处理。
不能下载?报告错误
下页:
中央空调系统原理图
相关推荐
坡面屋顶阵列前后间距计算和遮挡物影长计算公式V1.1
光伏专用电缆选型计算,汇流箱至逆变器电缆选型计算,短路电流计算,组串数量计算
风力发电经济评价模型案例
风电 水电效益测算分析表
分布式光伏工程报价参考计算表格
热水及取暖系统设计图
下载文件
免费下载
标签
螺丝标准
指导性国家标准
海关规范
工作通知
工业标准
听课报告
铆钉标准
轻工业规范
云南省标准
酒店工作计划
个人总结
体育规范
四川省标准
学校工作计划
02j331
广东省标准
放假通知
插头标准
食品安全标准
污染物排放标准
建筑材料规范
暖通
线材标准
紧固件标准
实习报告
环境保护规范
iec标准
上海市标准