
某60M航空障碍灯详细cad设计基础安装图

某60M航空障碍灯详细cad设计基础安装图
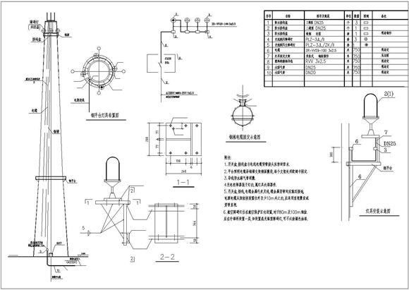
本资料为某60M航空障碍灯详细cad设计基础安装图,图纸包括:钢平台灯具布置图、钢梯电缆固定示意图、灯具安装示意图等,设计精准,可供设计师下载参考。

某60M航空障碍灯详细cad设计基础安装图

某60M航空障碍灯详细cad设计基础安装图
本资料为某60M航空障碍灯详细cad设计基础安装图,图纸包括:钢平台灯具布置图、钢梯电缆固定示意图、灯具安装示意图等,设计精准,可供设计师下载参考。
声明:资源收集自网络或用户分享,仅供学习参考,如侵犯您的权益,请联系我们处理。
不能下载?报告错误