
调节池cad施工图(标注详细)

调节池cad施工图(标注详细)
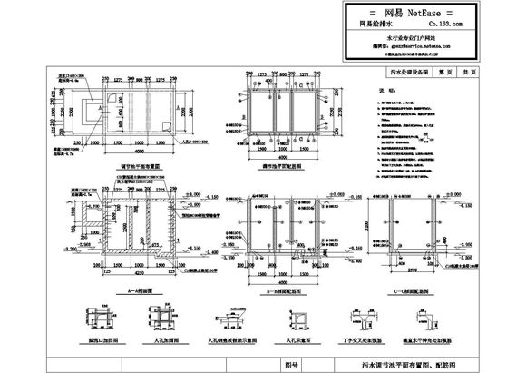
本资料为调节池cad施工图(标注详细),包括:调节池平面布置图,调节池平面配筋图,溢流口加固图,剖面图,人孔钢盖板做法示意图等,设计规范,可供设计师参考

调节池cad施工图(标注详细)

调节池cad施工图(标注详细)
本资料为调节池cad施工图(标注详细),包括:调节池平面布置图,调节池平面配筋图,溢流口加固图,剖面图,人孔钢盖板做法示意图等,设计规范,可供设计师参考
声明:资源收集自网络或用户分享,仅供学习参考,如侵犯您的权益,请联系我们处理。
不能下载?报告错误