规范网
更新
当前位置:
规范网
资料
内容详情
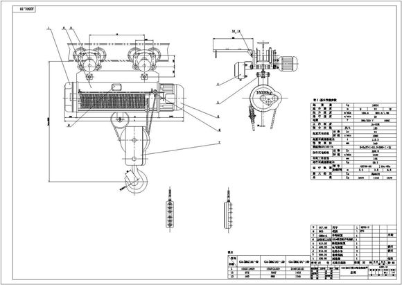
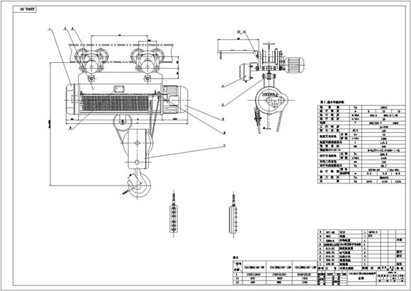
电动葫芦 包含详尽的尺寸规格参数
电动葫芦 包含详尽的尺寸规格参数
电动葫芦 包含详尽的尺寸规格参数
1T2T3T5T6T10T16T7中规格电动葫芦细部图,详尽可用
加入收藏
下载文件
声明:资源收集自网络或用户分享,仅供学习参考,如侵犯您的权益,请联系我们处理。
不能下载?报告错误
下页:
某标准型号10T电动单梁起重机全套设计施工完整CAD图纸
相关推荐
承插型盘扣式钢管脚手架全套培训资料(含ppt课件、视频、表格、方案共9个文件)
碧桂园 精装修工程瓷片及抛光砖施工工艺 63页培训PPT资料
录井资料质量控制规范 (SY/T 6438-2024)
井中地震资料采集技术规程 (SY/T 5454-2024)
1∶5000 1∶10000基础地理信息数据更新成果资料汇交技术要求 (DB34/T 4983-2025)
电动葫芦 包含详尽的尺寸规格参数
下载文件
免费下载
标签
人防
北京市标准
转正申请
城市轨道
电源线标准
装修
教学计划
钢丝螺套标准
学校方案
纺织规范
航空规范
安全标准
甘肃省标准
不锈钢管标准
02j331
西藏藏族自治区标准
自我评价
新闻出版规范
税务规范
机关单位工作计划
螺纹标准
校车标准
建筑标准
学校领导讲话稿
球墨铸铁管标准
金融规范
11zj901
机械制图标准