当前位置:首页  资料内容详情

跌落式熔断器cad详细组装图

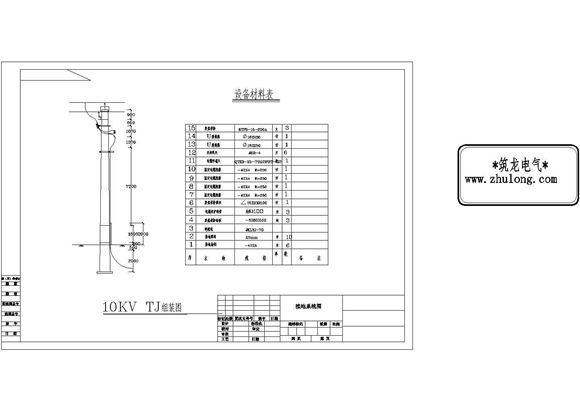
跌落式熔断器cad详细组装图 跌落式熔断器cad详细组装图 本资料为跌落式熔断器cad详细组装图,图纸包括:组装图、接地系统图、设备材料表等,设计精准,可供设计师下载参考。

跌落式熔断器cad详细组装图

声明:本站为网络服务提供者及网络索引服务平台资源索引自网络/用户分享,如有版权问题,请联系站方删除。

不能下载?报告错误