当前位置:首页  资料内容详情

SDA气缸(全套图纸)模型设计

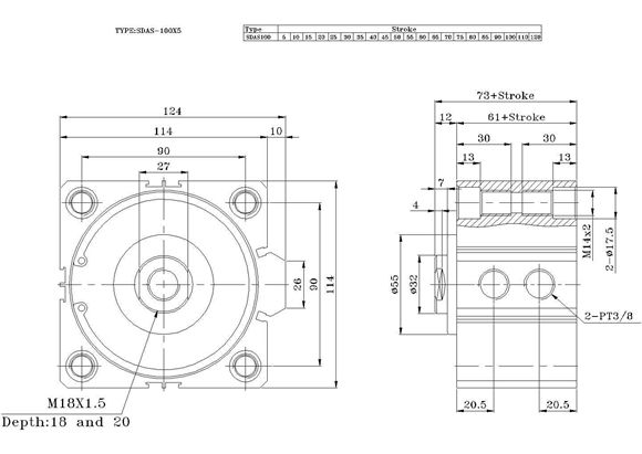
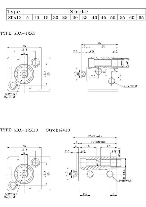
SDA气缸(全套图纸)模型设计 SDA气缸(全套图纸)模型设计 SDA气缸(全套图纸)模型设计 本资料为:SDA气缸(全套图纸)模型设计,dwg文件类型,设计精准,可供设计师参考

SDA气缸(全套图纸)模型设计

声明:本站为网络服务提供者及网络索引服务平台资源索引自网络/用户分享,如有版权问题,请联系站方删除。

不能下载?报告错误