当前位置:首页  资料内容详情

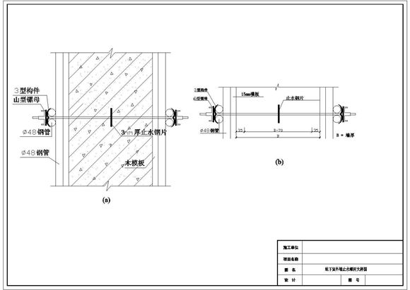
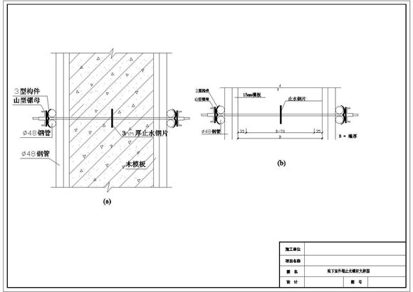
地下室外墙止水螺杆大样图

地下室外墙止水螺杆大样图 地下室外墙止水螺杆大样图 本资料为地下室外墙止水螺杆大样图,图纸为住宅楼地下室外墙止水螺杆大样图1张,设计精准,可供网友下载参考。

地下室外墙止水螺杆大样图

声明:本站为网络服务提供者及网络索引服务平台资源索引自网络/用户分享,如有版权问题,请联系站方删除。

不能下载?报告错误