
某经典地区的岩石锚杆基础设计布置平面图

某经典地区的岩石锚杆基础设计布置平面图
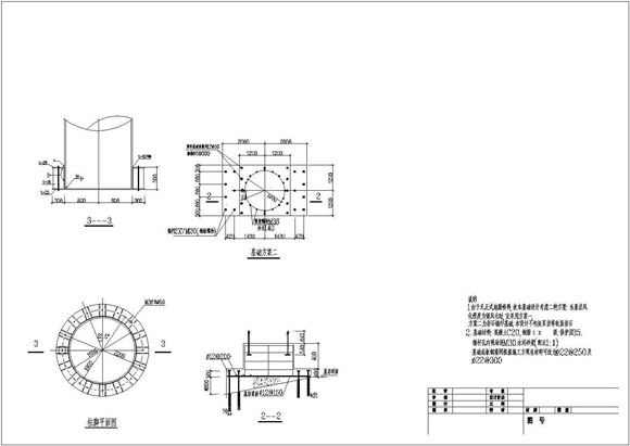
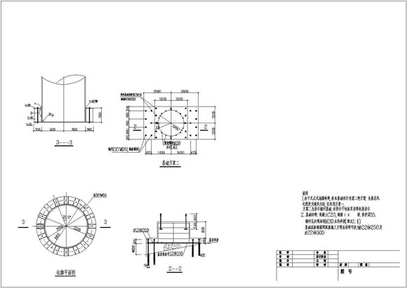
本工程为某经典地区的岩石锚杆基础设计布置平面图,包含柱脚详图、基础详图、基础剖面图,图纸内容完整,表达清晰,制图严谨,欢迎设计师下载使用。

某经典地区的岩石锚杆基础设计布置平面图

某经典地区的岩石锚杆基础设计布置平面图
本工程为某经典地区的岩石锚杆基础设计布置平面图,包含柱脚详图、基础详图、基础剖面图,图纸内容完整,表达清晰,制图严谨,欢迎设计师下载使用。
声明:资源收集自网络或用户分享,仅供学习参考,如侵犯您的权益,请联系我们处理。
不能下载?报告错误