当前位置:首页  资料内容详情

不锈钢拉杆钢化玻璃雨棚cad设计做法详图

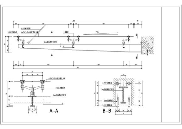
不锈钢拉杆钢化玻璃雨棚cad设计做法详图 本资料为不锈钢拉杆钢化玻璃雨棚cad设计做法详图,图纸包括:剖面图、雨蓬结构详图等,设计精准,可供设计师下载参考。

不锈钢拉杆钢化玻璃雨棚cad设计做法详图

声明:本站为网络服务提供者及网络索引服务平台资源索引自网络/用户分享,如有版权问题,请联系站方删除。

不能下载?报告错误