当前位置:首页  资料内容详情

基坑钢支撑609钢管活络头详图cad图纸

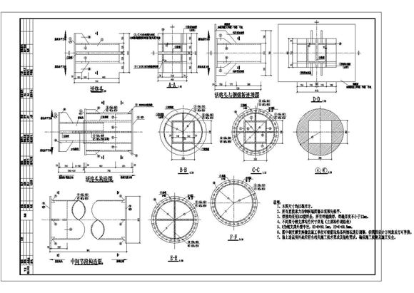
基坑钢支撑609钢管活络头详图cad图纸 本资料为:基坑钢支撑609钢管活络头详图,包括中间节段构造图,活络头构造图,活络头与钢缀板连接图等,设计规范,可供参考。

基坑钢支撑609钢管活络头详图cad图纸

声明:本站为网络服务提供者及网络索引服务平台资源索引自网络/用户分享,如有版权问题,请联系站方删除。

不能下载?报告错误